IS 5000


Max. Dolum Basıncı | 150 bar |
Min. Dolum Basıncı | 25 bar |
Max. Çalışma Hızı | 1,6 m/s. |
Kullanılacak Gaz | Azot |
Çalışma Sıcaklığı | 0°C ile +80°C |
IS 5000 MODELİNDE SERİ BAĞLANTI
Bu modelde seri bağlantıda ölçü değişikliği yoktur.
Siparişte gazlı yayların seri bağlantılı olduğunu belirtmek için gazlı yay kodunun sonuna SB eklenecektir.
Örnek : IS 5000-50-SB
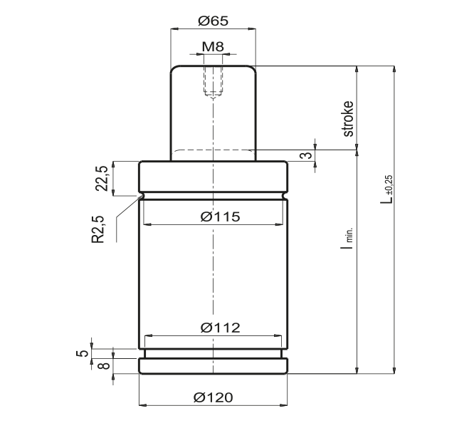
L mm. | I min. Mm. | KURS - stroke max. mm. | daN | Model |
---|---|---|---|---|
190 | 165 | 25 | 5000 | IS 5000-25 |
216 | 178 | 38 | 5000 | IS 5000-38 |
240 | 190 | 50 | 5000 | IS 5000-50 |
267 | 203.5 | 63 | 5000 | IS 5000-63 |
300 | 220 | 80 | 5000 | IS 5000-80 |
340 | 240 | 100 | 5000 | IS 5000-100 |
390 | 265 | 125 | 5000 | IS 5000-125 |
460 | 300 | 160 | 5000 | IS 5000-160 |
540 | 340 | 200 | 5000 | IS 5000-200 |
640 | 390 | 250 | 5000 | IS 5000-250 |
740 | 440 | 300 | 5000 | IS 5000-300 |